液氮補液監控系統主要用于液氮低溫輸出,達到為其他設備制冷的目的,或制造低溫/恒溫環境并達到監控終端溫度和罐體補液整體流程的目的。主要用于液氮箱供液,檢測行業,搭建實驗液氮使用環境等。
液氮監控系統模塊化設計,系統結構補液部分為液氮罐,液氮罐輸出壓力根據客戶需求的壓力確定。控制部分為控制系統,閥組系統,溫度/液位監控系統。液氮補液監控系統可以實施24小時全天的不間斷監控補液及遠程監控,終端溫度可控。液氮罐內液位可控。整體操作流程可控,可實現自動化操作流程。
液氮補液監控系統還可以根據不同客戶實現差異化的產品搭建,客戶終端設備的大小,客戶終端客戶對溫度精度高低,
客戶終端設備對溫度精度范圍的要求,客戶終端設備使用對自動化的各種要求,均不影響液氮補液監控系統的模塊化搭建, 搭建小型系統和大型系統都可以實現客戶需求: 控溫精度、控溫范圍、供液效率、供液壓力、單位時間、降溫效率等都可以做為設計依據。
*可配套不同類型液氮罐使用
液氮補液監控系統可配套各種產品,只要對液氮供液或者液氮降溫有需求,都可以使用液氮補液監控系統,產品適配壓力范圍廣,控溫范圍廣,供液效率高。供液端可搭載更多液氮罐,實現輪換供液,24小時不間斷供液模式。
液氮補液罐推薦型號:自增壓液氮罐系列YDZ-100、YDZ-150、YDZ-200、YDZ-230、YDZ-300
產品功能特點:
1.根據不同的壓力同控制范圍自動調壓
2.可精確設置不同的輸液量
3.自動反饋行為(通過外接設備信號)
4.功能定制(液位監控、溫度監控、傳輸量監控等其他功能定制)
5.配套液氮罐智能管理
6.遠程電腦控制
7.遠程報警提醒
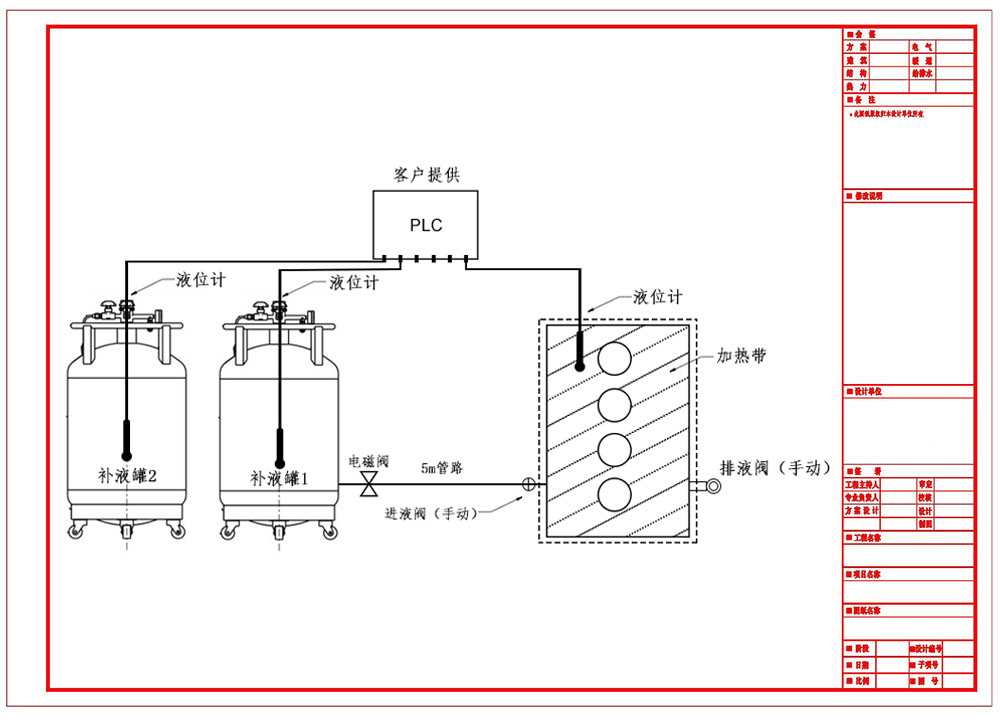
設計案例:

相比手動補液,液氮自動補液系統能夠減少液氮的浪費,并提高工作效率。據統計數據顯示,采用液氮自動補液技術后例如冰箱、深冷箱、超導材料制備過程中的液氮利用率提高了30%,大大節約了成本開支。

產品優勢(便捷、高效、智能)
A高精度:傳感器采集的數據精確準確實現對液氮輸出流量精確控制;
B高效率:實時反饋,提高管理效率,穩定有序;
C智能化:結合物聯網技術和數據分析功能,遠程智能操控;
D多元化:定制設計不同領域設備均可適配
E便捷性:簡化操控系統一鍵導出曲線數據
F安全性能:絕熱處理,耐腐蝕性和抗壓性能0風險
補液系統設計結合了智能控制、傳感器技術、網絡技術,以實現自動化運行。
案例平面圖:

零部件模具補液設計(自增壓液氮罐、液位計、溫度探頭、液氮管路、主控系統)

深冷槽補液設計(自增壓液氮罐2個、液氮管路10m、液位計、電磁閥、PLC)